提醒您:检测到您在用IE老版本浏览器或360兼容模式访问,为帮助您获得更好的体验,推荐使用chrome,搜狗,IE11等浏览器或更换至360极速模式
新闻动态
【小卫星技术介绍系列文章】卫星“司令官”——综合电子学系统(三)
作者:        发布时间:2020-06-28        点击数:

小卫星技术介绍系列文章

卫星“司令官”——综合电子学系统(三)



       

       

       

       

前面文章介绍了卫星电子学系统的主要任务和重要技术指标,并以颗卫星的综合电子学系统为例,介绍卫星综合电子学系统的组成及内部的控制器板和通信板。本篇文章将继续介绍指令模块、信号处理模块和电源模块,最后介绍一下综合电子学系统中接地的设计。

1.指令板模块

指令板模块设计实现多条路间接指令,间接指令为OC输出形式。设计使用CPU的数据线锁存后进行译码控制实现。

为了让外围设备与中心计算机在时间控制上同步,需要给指令增加锁存功能。一般会采用锁存器实现。

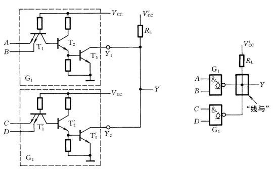
OC门指的是开集极电路(Open Collector),是一种集成电路的输出装置。OC门实际上只是一个NPN型三极管,并不输出某一特定电压值或电流值。OC门根据三极管基极所接的集成电路来决定(三极管发射极接地),通过三极管集电极,使其开路而输出。

通过OC门这一装置,能够让逻辑门输出端的直接并联使用。两个OC门的并联,可以实现逻辑与的关系,这种设计方便主备机分别控制某个电路,称为“线与”,但在输出端口应加一个上拉电阻与电源相连。这种配置的特性是,输出侧上拉电阻(pull-up resistor)连接的电压不一定需要使用与输入侧IC同样的电源(VCC),可以是用更低或更高的电压来代替。因此,集电极开路电路有时用于连接不同工作电位、或用于外部电路需要更高电压的场合。

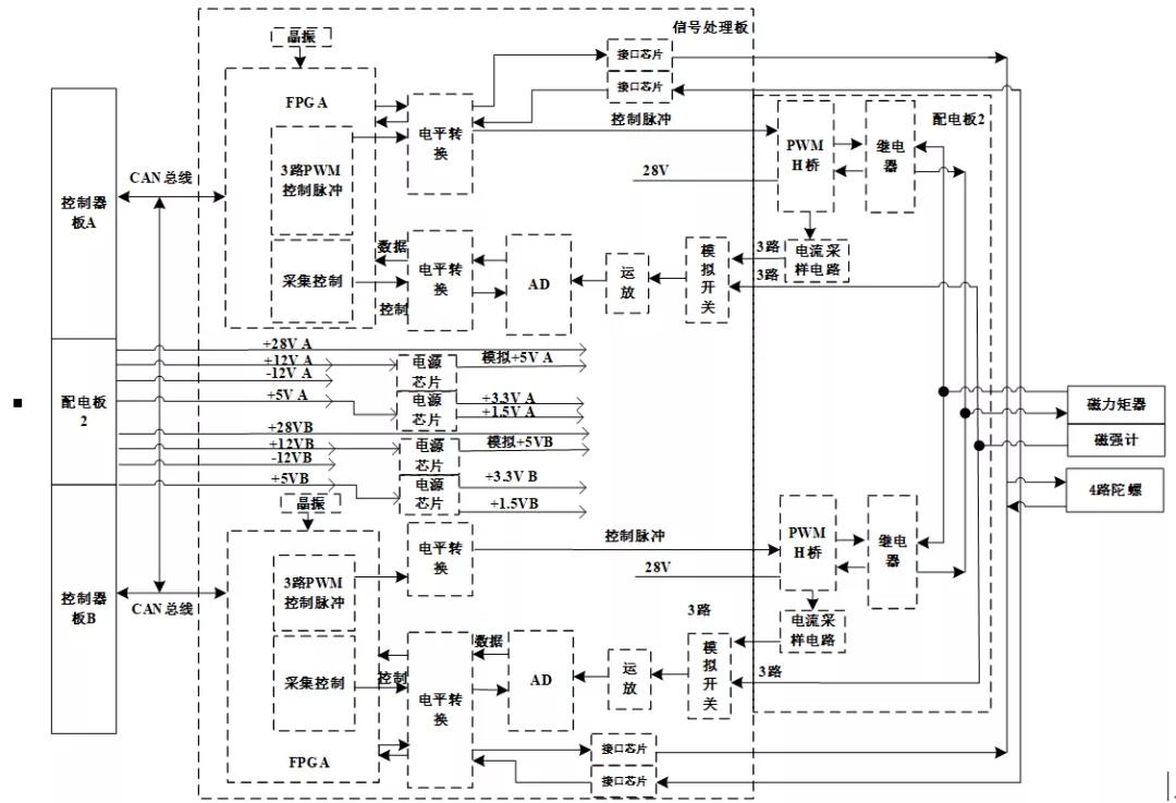
2.信号处理板模块

在这个实例中,信号处理板主要实现1个三轴磁强计模拟量采集,3路磁力矩器控制和4路扩展串口,同中心计算机可实现交叉CAN总线通信控制。

信号处理板设计框图

磁强计输出模拟量由交换子进行合路,经运放进行阻抗变换,最后由AD转换器进行AD变换,最后由FPGA实现读取。设计使用FPGA实现磁力矩器控制的斩波时序。4路异步串口设计使用FPGA扩展实现,设计串口每路收发FIFO独立,设计不小于16字节,波特率、校验位、停止位可配置。该12路异步串口接口为RS422,+5V电平。

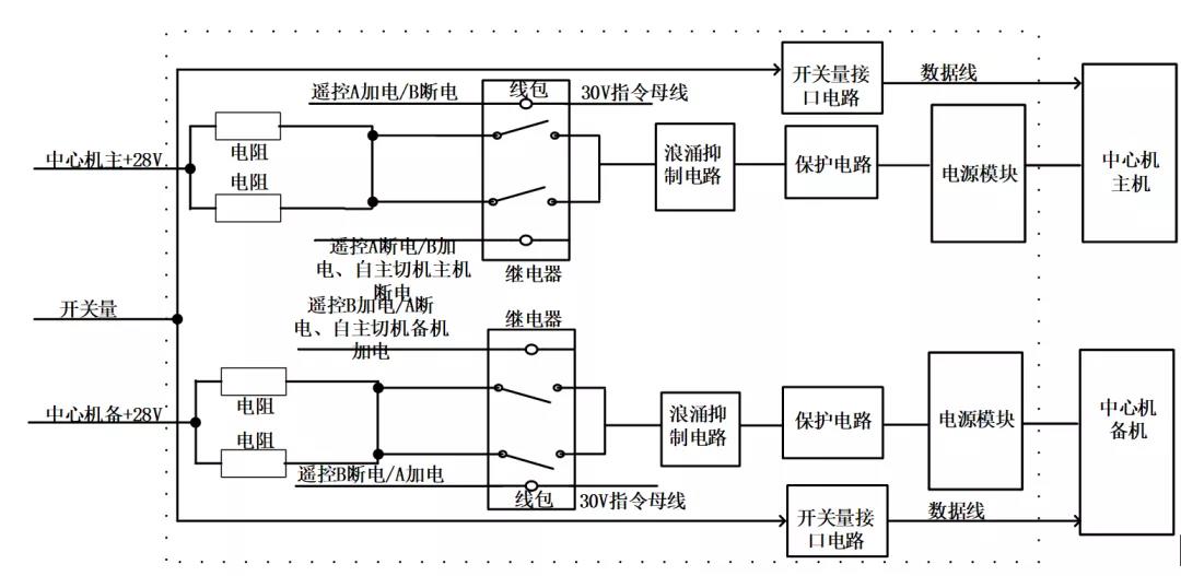
3.电源1板模块

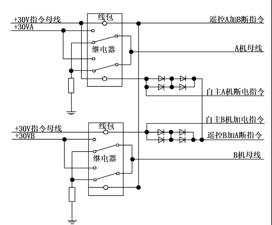
综合电子学分系统其他模块需要+5V,+3.3V,+1.8V,+1.5V。其中二次电源+3.3V,+1.8V,+1.5V较低,一般不会过板传输,因此设计在本板上利用电源芯片实现。因此电源板1需实现主备两路+5V电源。控制器板为双机冷备,内部在A机出现故障后引发看门狗狗咬,可自主切换至B机,但是为了防止出现切换循环,B机无法自主切换至A机。中心计算机在自主切换过程中会出现短暂双机加电状态,双机加电过程中保证B机处于复位状态直至其将A机断才撤销复位以保证接口不冲突;其余时段为单机加电状态,无断电状态。

中心计算机仲裁逻辑框图

中心计算机仲裁逻辑框图如上面所示,外部直接指令A机加电/B机断电、B机加电/A机断电可实现中心机的主备互斥加断电控制。直接指令自主切机使能和自主切机禁止可实现是否允许主机故障后自主切换至备机。

为保护一次母线,在一次母线输入端采用双电阻并联保护方式,在此模式下,如果负载电流过大就会使电阻两端的电压增大,这样负载的电压下降,在欠压条件下设备会被重启。同时在继电器动触点端串接浪涌抑制电路以防止启动电流对母线和继电器的冲击。

电源板1设计框图

4.电源2板模块

电源板2设计实现信号处理板的配电和仲裁控制及磁力矩器驱动接口。信号处理板的加断电由中心机通过4条间接指令控制,其中磁力矩器的供电可由中心机通过4条间接指令进行单独控制。信号处理板需+5V、±12V,+28V,+3.3V,+1.5V。二次电源+3.3V,+1.8V,+1.5V较低,传输后会造成电压下降使设备无法工作,不宜过板传输,因此设计在本板上利用电压模块实现。因此电源板2需实现主备+5V、±12V,+28V共八路电源。为保护一次母线,在一次母线输入端串接熔断器保护。同时在继电器动触点端串接浪涌抑制电路以防止启动电流对母线和继电器的冲击。

电源板2设计框图

5.接地设计

中心计算机及信号处理单元的地线很多,有一次母线回线、一次指令回线、数字量回线、直接指令回线、信号地、间接指令回线、模拟量回线、磁力矩器供电回线、机壳地。这些地线如果连接不好可能会造成电磁干扰,从而影响设备的正常工作。

为了保证设备正常工作一般有如下要求:

1.一次母线回线(包括一次指令回线)同其余参考地绝缘(机壳地同一次地设计有滤波电容)。

2.一次指令回线同直接指令回线需整星在外部进行短接。

3.数字量回线同信号地短接;

4.间接指令回线同信号地间预留短接点(短接点默认焊接);

5.模拟量回线接设备模拟地,模拟地同信号地在AD变换处就近单点短接。

6.磁力矩器供电回线同信号地间同通过磁珠进行短接;

7.机壳地同其他参考地绝缘。

本篇文章主要介绍了指令模块、信号处理模块和电源模块,最后介绍一下综合电子学系统中接地的设计,基本把综合电子学的基本结构介绍完了,后续我们将介绍综合电子学系统的发展趋势。


       

       

       

       

关于我们



2019年5月,伟德国际1946源于英国,伟德国际1946源于英国获准设立空间天文物理融合伟德国际1946源于英国。该中心是伟德国际1946源于英国空间科学研究院在一校三地战略指引下积极筹建的空间科技学科集群与空天探测学科交叉大平台的重要组成部分。

通过成建制引进,中心已组建起“小卫星技术与空间态势感知”核心团队,正在小卫星设计和部分空间探测载荷关键技术方面聚力攻关,以掌握探测设备关键技术,搭建天地一体化空间环境探测系统,实现学科建设重大突破,提升我校空间科学与技术学科学术竞争力。

邮箱:yuepinliang@sdu.edu.cn



Baidu
sogou